
卧式三脚插板 DS-134-2 直流
四脚贴片DC插座 DS-018 带定
沉板DC插座 DS-0455CX
电动工具电源插座 DS-099
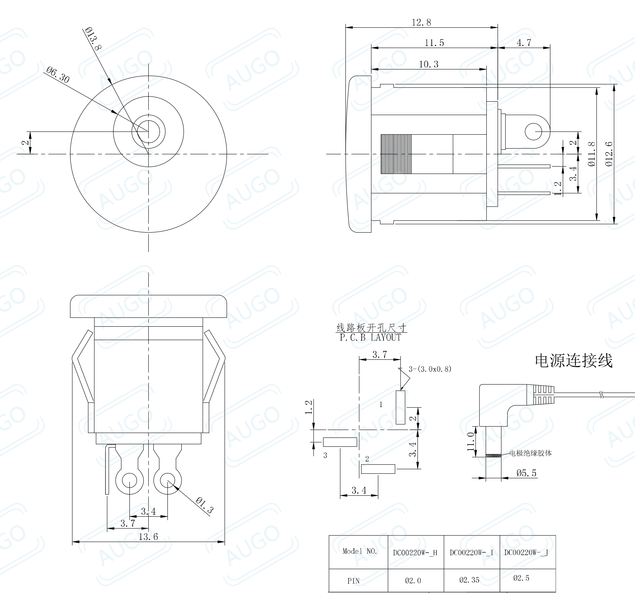
立插DC母座 DC-022D-xx-192 H
三脚侧插 DS-075-13 直流DC电
路由器DC插座 DS-043A
大电流直流插座 DC-044D 卧
DC7406 大电流插座 10A20V
电子秤直流电源插座 DS-
镀金DC插座 三脚插板直立
大电流电源插座 DS-212-20
吸尘器电源插座 DS-198
DC插座 DC-0242 6.3*2.5/3.0 立式
小孔DC插座 DC-028 3517电源插
卧式三脚DC插座 DC-062 K型脚
业务微信
官方微信